Y-кабель

Перейти к: навигация, поиск

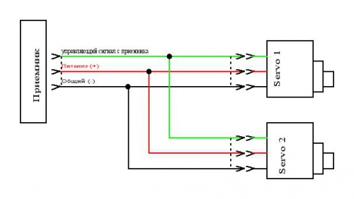
Y-кабель предназначен для подключения двух сервомашинок в один канал приёмника. То есть это просто параллельное соединение 2-х сервомашинок.

Y-kabel-1.jpg

Обычно Y-кабель используется для соединения сервомашинок элеронов. Для того, что бы элероны перемещались в разные стороны, необходимо ставить качалки на сервомашинках в разные стороны.

Вот, например, схема установки сервомашинок с направлением качалок от фюзеляжа авиамодели.

Y-kabel-2.jpg

При таком подключении, когда обе сервомашинки начнут вращаться, например, влево – одна качалка двинется вперед, а другая назад. Тем самым будет достигнут реверс движения элеронов на авиамодели.