RunCam Split
Содержание
- 1 Описание
- 2 Где купить RunCam Split
- 3 Преимущества
- 4 Особенности
- 5 Характеристики
- 6 Недостатки
- 7 Основная плата
- 8 FPV-камера
- 9 WiFi
- 10 Управление
- 11 Радиоуправление
- 12 Micro SD
- 13 Комплектация
- 14 Прошивка
- 15 FAQ по RunCam Split
- 15.1 Записывается ли информация OSD на карту памяти
- 15.2 FPV-изображение на видеовыходе дёргается
- 15.3 Изображение, записываемое на наземный DVR через видеолинк, дёргается
- 15.4 Можно ли питать RunCam Split от видеопередатчика
- 15.5 Что будет, если во время записи пропадёт питание
- 15.6 Как подсоединять кабель к камере и к основной плате
- 16 Обзоры
- 17 Где купить RunCam Split
- 18 Ссылки
- 19 См. также
Описание[править]
RunCam Split - видеокамера с записью изображения, выполненная в виде курсовой FPV-камеры с разделённой модульной конструкцией: основная плата с процессором, картой памяти и кнопками управления + модуль объектива в виде миниатюрной FPV-камеры, вынесенный на расстояние от основной платы с помощью кабеля.
По заявлению производителя, RunCam Split может полностью заменить любую курсовую FPV-камеру и дополнить её функциями видеозаписи.
Предположительно, появление камеры RunCam Split непосредственно связано с прекращением выпуска RunCam 3 в результате правового конфликта с GoPro Session. Вероятно, камера RunCam Split представляет собой вынесенные из корпуса и несколько изменённые компоненты RunCam 3.
Информация о камере появилась на официальном сайте RunCam 8 июня 2017 года.
Где купить RunCam Split[править]
Впервые камера появилась в предзаказе по цене $70 в магазине Banggood 9 июня 2017 года, а на официальном сайте - 10 июня 2017 года.
Найти все предложения по RunCam Split от магазинов на RCSearch.
- Продавцы
- Россия: MobiusCam.ru
- RunCam Split2 With WiFi 4510руб.
- Пересылка по России 150 руб, срок 5-8 дней. Владелец
Преимущества[править]
- Раздельная бекорпусная модульная конструкция: объектив отдельно от основной платы, соединён с ней кабелем. Это позволяет, в отличие от корпусных экшн-камер, которые обычно размещают снаружи, разместить RunCam Split внутри корпуса или рамы ЛА (коптера), например, в стойку вместе с контроллером, регуляторами 4-в-1 и т.п. Таким образом, появляется сразу несколько преимуществ:
- камера становится хорошо защищена от внешних воздействий;
- центр масс коптера сосредотачивается в геометрическом центре рамы. Хотя, тут преимущество может быть спорным, т.к. внешняя камера могла бы частично уравновешивать силовой аккумулятор, размещённый снизу рамы.
- Отсутствие аккумулятора. Для надёжности работы любая экшн-камера в любом случае должна быть подключена к бортовому питанию (для исключения случая выключения камеры из-за разряда встроенного аккумулятора). Таким образом, встроенный аккумулятор - это лишний вес, который был оправдан только тем, что он обеспечивал корректное завершение записи видео при пропадании бортового питания (например, в результате аварии). Ну а благодаря функции защиты от пропадания питания в RunCam Split встроенный аккумулятор стал практически не нужен.
- Как следствие перечисленных выше преимуществ: собственно сама масса камеры чрезвычайно мала: 22 г, что в 3 раза меньше предвестника RunCam Split - RunCam 3.
- Не нужно покупать курсовую камеру, как в случае использования обычной экшн-камеры. RunCam Split выполняет функции обеих камер: FPV + видеозапись. Это небольшая экономия денег и массы.
Особенности[править]
- Два кабеля разной длины (90мм и 180мм) для удаления модуля объектива от основной платы камеры.
- Модульная конструкция
- Возможность подстройки фокуса вручную
- Возможность заменить объектив
- Возможность подключить съёмный WiFi-модуль для настройки, управления и просмотра видео на мобильном устройстве.
- Защита от пропадания питания: записываемый файл в любом случае будет сохранён. Теряется лишь около 1.5 секунд видео до пропадания питания. Вместе с функцией автоматического старта видеозаписи при подключении питания это даёт возможность вообще не пользоваться кнопками на камере: при подключении силового аккумулятора к коптеру запись стартует, а при отключении - запись файла корректно завершается.
- Встроенный микрофон: звук на видеозаписи, аудиовыход для FPV.
Функция WDR[править]
WDR (Wide Dynamic Range) - расширение динамического диапазона видеокамеры, возможность улучшенной прорисовки деталей и в осветлённых и в затемнённых частях изображения одновременно, что актуально, например, при съёмке в солнечный день, когда яркое небо и освещённые солнцем объекты контрастируют с объектами в тени. Расширение динамического диапазона достигается путём совмещения двух кадров, сделанных с разной экспозицией.
Примеры изображений с и без WDR:
Характеристики[править]
- Задержка на видеовыходе: ~60 мс [1]
- Формат видеовыхода: NTSC (720x480) / PAL (720x576) на выбор
- Фокусное расстояние объектива: 2.5 мм
- Угол обзора (FOV): 130° для FPV и 165° у записываемого изображения
- Формат кадра: 4:3 для FPV и 16:9 у записываемого изображения
- Качество видеозаписи: 1080@60fps / 1080@30fps / 720@60fps
- При 1080@60fps запись идёт с битрейтом 31400кбайт/с (30000 видео и 1400 звук). 1 минута видео «весит» 234Мбайт. Таким образом, достаточно, чтобы карта памяти могла писать 3.925Мбайт/с.
- Формат видеозаписи: MOV
- Разрешение картинки: 2 мегапиксела
- Порт: Micro USB / UART
- Слот карты памяти: Micro SD, поддерживаются ёмкости до 64 Гбайт, требуется Class 6 или лучше, рекомендуется Class 10/UHS-I/UHS-II.
- Размеры основной платы: 36х38 мм (крепёжные отверстия 30.5х30.5мм)
- Размеры модуля объектива: 22х20 мм
- Напряжение питания: 5 В или 4.2 В
- Потребление тока: 650 мА·ч
- Масса основной платы+камера: 21 г (по другим данным - 26 г)
- Масса WiFi-модуля: 2 г
Разница между углами зрения Wide, Medium, Narrow:
Недостатки[править]
- Определённое расположение крепёжных отверстий основной платы (30.5х30.5мм) ограничивает выбор рам, в которые можно будет поставить RunCam Split без дополнительного «колхоза»: многие современные рамы уже имеют заводские крепёжные отверстия 20х20мм и даже 16х16мм. Кроме того, не во все рамы влезет ещё одна плата в стойку вместе с полётным контроллером и регуляторами 4-в-1.
- Обычную экшн-камеру, как правило, закрепляют сверху на коптере, и её легко снять, переставив с одного борта на другой, то есть можно иметь одну экшн-камеру на несколько коптеров. В случае с RunCam Split это представляется нереальным: однажды установив внутрь коптера, оперативно снять её будет невозможно и придётся на другие борта покупать вторую, третью камеру, и т.д.
- Потребление тока RunCam Split немаленькое: 650 мА·ч. С учётом того, что питать от силового аккумулятора камеру нельзя (требуется напряжение строго 5 В) то для неё нужно будет устанавливать дополнительный BEC 5V на, как минимум, 1A, а лучше 2А - чтобы был с запасом. См. также Конфликт источников напряжения 5В.
- Нет функции Superview. И не может быть (пока): в настоящее время нет сенсоров, которые могли бы реализовать эту функцию и одновременно выдавать видеосигнал с достаточно небольшой для FPV задержкой, а также реализовать функцию WDR. Но записываемое видео с углом обзора 165° - это уже больше, чем у RunCam 3. Так что, если отсутствие Superview и является недостатком, то весьма незначительным.
- Для извлечения карты памяти необходимо поднять крышку слота, что может быть весьма затруднено в современных рамах мини-квадрокоптеров без их разборки. Впрочем, если предположить, что карта памяти никогда не достаётся из камеры, а скачивание записанных файлов производится исключительно через USB, то этот недостаток можно считать ничтожным. Нужно лишь позаботиться об установке карты памяти в RunCam Split до установки самой камеры в раму.
- Штатные кабели для соединения модуля объектива с основной платой довольно жёсткие, чтобы использовать камеру на моторизированном микроподвесе. Таким образом камера пригодна для использования только в неподвижном, жёстко закреплённом состоянии (например в качестве курсовой камеры гоночных FPV-миникоптеров, летающих крыльях или других FPV-носителях).
- Во время видеозаписи 1080p 30fps FPV-изображение на видеовыходе дёргается, неравномерное. Единственный выход исправить это - переключить запись в режим 1080p 60fps.
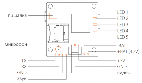
Основная плата[править]
Светодиоды:
- LED 1: Синий — индикатор работы WiFi
- LED 2: Зелёный — режим фотографирования
- LED 3: Синий — режим видеосъёмки
- LED 4: Оранжевый — режим настройки через OSD-меню
- LED 5: Красный — индикатор заряда: мигает во время работы, горит постоянно во время зарядки.
Схема подключения[править]
Подключение питания:
- К USB и 3-пиновому разъёму - только 5 В
- К площадкам для подпайки аккумулятора - только 4.2 В
Конфликт источников напряжения 5В[править]
Если, при установке RunCam Split на носитель, основная плата подключена к 5-вольтовому BEC не через USB-разъём, а путём подключения в специальный разъём (+5В, GND, видео - см. схему основной платы), то следует иметь в виду, что контакты +5В на плате и +5В в USB-разъёме коротко замкнуты и, следовательно:
- при подключении компьютера/мобильного устройства к RunCam Split через USB-кабель на выключенном борте напряжение +5В от компьютера окажется на выходе выключенного BEC. То есть нужно позаботиться о том, чтобы используемый BEC имел защиту от обратного тока на своём выходе.
- при подключении компьютера/мобильного устройства к RunCam Split через USB-кабель на включенном борте питание +5В от BEC будет подано на компьютер, что также чревато выходом USB-порта из строя.
- если RunCam Split и полётный контроллер подключены к одному BEC, то при подсоединении USB-кабеля к RunCam Split будет включаться и камера, и полётный контроллер.
Решить эту проблему можно двумя способами:
- В разрыв провода +5В, идущего от BEC, нужно впаять диод (например, вырямительный из популярных серий 1N4001 или 1N5400) в разрыв красного провода "5V" из трёх проводов кабеля, входящего в комплект RunCam Split:
выход BEC +5В ----|>|---- +5В контакт на основной плате RunCam Split
- Тогда можно не беспокоиться при подключении USB-кабеля к выключенному борту.
- По хорошему, аналогично нужно поставить диод в разрыв питающего провода в USB-кабеле, чтобы можно было подключать его и к включенному борту.
- Перед подключением USB-кабеля отключать BEC от RunCam Split.
Обещано, что эта недоработка будет исправлена в следующих модификациях камеры.
FPV-камера[править]
Модуль FPV-камеры подключается к основной плате через специальный кабель. В комплекте есть два кабеля разной длины 90мм и 180мм. Также их можно купить отдельно.
WiFi[править]
Съёмный WiFi-модуль предназначен для возможности беспроводной настройки камеры RunCam Split, управления ею, а также для просмотра записанных файлов - всё это можно делать в специальном приложении для мобильного устройства.
Если камера RunCam Split при покупке не была укомплектована WiFi-модулем, то его можно приобрести отдельно.
Очень важно правильно подключить WiFi-модуль к основной плате: как на схеме справа. Иначе возможен выход модуля из строя.
WiFi-модуль можно подключать по мере необходимости (например, только для настройки «на земле»), а перед полётом - снимать платку модуля.
Для удобства можно изготовить удлинитель для WiFi-модуля из пары разъёмов 2х5 мама-папа с шагом контактов 1.27мм (0.05"). Пример ещё
Управление[править]
- Включение/выключение камеры - долгое нажатие кнопки Power/Shutter.
- Включение/выключение WiFi - короткое нажатие кнопки WiFi/Mode.
- Переключение режимов - долгое нажатие кнопки WiFi/Mode, при этом по порядку переключаются следующие режимы:
- Видеозапись (Video Mode) - индицируется свечением синего светодиода. Нажатие кнопки Power/Shutter в этом режиме приводит к началу и остановке записи видео.
- Фотографирование (Photo Mode) - индицируется свечением зелёного светодиода. Нажатие кнопки Power/Shutter в этом режиме приводит к «щелчку» кадра.
- Настройка через OSD-меню (OSD Setup Mode) - индицируется свечением оранжевого светодиода. Навигация по меню осуществляется кнопками:
- короткое нажатие Power/Shutter - выбор пункта меню.
- короткое нажатие WiFi/Mode Switch - изменение параметра.
- долгое нажатие WiFi/Mode Switch - выход из меню настроек.
- Быстрое выключение - одновременное нажатие кнопок Power/Shutter и WiFi/Mode.
- Сброс - в режиме ожидания нажать коротко кнопку WiFi/Mode три раза в течение не более, чем 2 секунд. После окончания процесса сброса оранжевый светодиод мигнёт два раза и камера выключится.
При активированной функции «автоматический старт видеозаписи при подаче питания» кнопка WiFi/Mode работает по-разному в разных версиях прошивки:
- с V1.0 - кнопка WiFi/Mode ставит видеозапись на паузу и включает вновь.
- начиная с версии прошивки V1.1 - короткое нажатие на кнопку WiFi/Mode останавливает запись и включает WiFi-модуль.
Управление по WiFi[править]
Управление и настройка камеры возможны по WiFi через приложение на мобильном устройстве (при подключенном WiFi-модуле).
Найти приложение можно в Google Play и Apple Store по фразе "RunCam App". Также приложение RunCam App v1.9.3 для Android можно скачать в виде установочного APK-файла RunCam_v1.9.3.apk.
Камера создаёт сеть с SSID "RCSplit_ ******", где * - цифра или буква
Пароль по-умолчанию: 1234567890
Управление через полётный контроллер[править]
Возможно управление RunCam Split через полётный контроллер при подключенной камере к одному из его последовательных портов UART.
Что требуется для этого:
- Одна из прошивок для полётного контроллера в конфигураторе которых должны появиться возможности для настройки управления камерой RunCam Split:
- Cleanflight версии 2.1.0 или выше;
- BetaFlight (поддержка RunCam Split ожидается в одной из следующих версий).
- Свободный UART-порт в полётном контроллере.
Подключение RunCam Split к полётному контроллеру:
Необходимо настроить полётный контроллер на обмен данными с RunCam Split. Для этого в Cleanflight- или Betaflight-конфигураторе во вкладке Ports нужно найти строку соответствующего UART-порта, к которому физически подключена камера (например, на скриншоте это UART3) и в столбце Peripherals выбрать для этого порта "RunCam Split".
После этого во вкладке Modes должны появиться несколько специальных режимов для RunCam Split:
- CAMERA WI-FI - для включения/выключения WiFi-модуля камеры. При активном OSD-меню этот режим отвечает за выбор параметра.
- CAMERA POWER - для включения/выключения видеозаписи. При активном OSD-меню этот режим отвечает за переход между пунктами меню.
- CAMERA CHANGE MODE - для переключения между тремя режимами работы камеры: видео, фото и OSD-меню. При активном OSD-меню этот режим можно использовать для выхода из OSD-меню.
Для задействования этих функций можно назначить два или три свободных канала (например, AUX1, AUX2 и AUX3), соответствующие двум или трём переключателям на пульте радиоуправления.
Радиоуправление[править]
Помимо возможности управления через приложение для мобильных устройств (по WiFi) есть ещё один способ дистанционного управления - посредством подключения камеры в свободный канал приёмника аппаратуры радиоуправления через специальный USB-кабель, в котором совмещены:
- разъём внешнего питания камеры;
- видеовыход;
- модуль преобразователя управляющего сигнала.
Управление осуществляется через один канал приёмника, на который удобно назначить 2-позиционный переключатель пульта радиоуправления. Не имеет значения какой управляющий сигнал будет приходить (в какой начальной позиции будет находиться переключатель), RunCam Split будет считать лишь сами переключения из одного положения в другое.
Доступные функции:
- Двойное переключение (вкл-выкл или выкл-вкл): выбор режима: видеозапись или фотографирование.
- Одинарное переключение: старт/стоп видеозаписи или фотографирования.
Видео: демонстрация работы на примере RunCam 2.
Этот кабель не заработает сразу. Нужно по крайней мере зайти в меню настройки General -> USB Function и выбрать Remote Control. У некоторых пользователей при подключении нового кабеля перестаёт работать видеовыход и камера начинает работать в USB-режимах MSDC (внешний накопитель) и WebCam, лишь переключаясь между ними кнопкой Power. В таком случае необходимо сначала использовать «родной» FPV-кабель, чтобы включить режим Remote Control при использовании USB.
Следует иметь ввиду, что при использовании этого кабеля (при включенном режиме USB Remote Control) компьютер перестанет видеть камеру как внешний накопитель и либо придётся извлекать карту памяти из камеры, чтобы перенести записанное, либо каждый раз менять в меню настройки General -> USB Function на MSDC и обратно на Remote Control.
Micro SD[править]
Поддерживаются карты памяти Micro SD ёмкостью до 64 Гбайт. Рекомендуется использовать высокоскоростные карты памяти (Class10 / UHS-I / UHS-II).
Комплектация[править]
- FPV-камера с отдельным записывающим модулем
- Кабель для соединения FPV-камеры с записывающим модулем (2 шт. разной длины 90мм и 180мм)
- AV-кабель видеовыхода
- WiFi-модуль (опционально)
- Кронштейн с крепежом для установки FPV-камеры на ЛА:
Прошивка[править]
Скачать прошивку V1.0.1 (RCSplit.zip)
Как прошивать[править]
Рекомендуется «заливать» свежую прошивку через приложение для мобильного устройства.
Также можно прошивать и просто поместив файл со свежей прошивки на карту памяти microSD:
- Скачать свежую прошивку (Latest Firmware).
- Отформатировать карту памяти самой камерой и поместить файл прошивки в корневую директорию карту памяти microSD. Имя файла должно быть RCSplit.BRN (то есть нужно извлечь его из скачанного архива .zip)
- Убедитесь, что камера полностью заряжена! Также следует отключить её от всего, включая WiFi соединение.
- Вставить карту памяти в RunCam Split и включить камеру. При успешном нахождении файла прошивки будет мигать оранжевый индикатор - идёт процесс прошивки.
- Через 1 минуту камера автоматически выключится. Процесс прошивки завершён.
FAQ по RunCam Split[править]
Записывается ли информация OSD на карту памяти[править]
Нет, данные OSD видны только на устройстве (видео-очки, видеошлем, FPV-монитор), на которое передаётся изображение с видеопередатчика, подключённого к видеовыходу RunCam Split, а на карту памяти пишется чистое изображение FullHD.
FPV-изображение на видеовыходе дёргается[править]
Это известная проблема: во время видеозаписи 1080p 30fps FPV-изображение на видеовыходе дёргается, неравномерное. Единственный выход исправить это - переключить запись в режим 1080p 60fps.
Изображение, записываемое на наземный DVR через видеолинк, дёргается[править]
Если это наблюдается только при записи на DVR, а FPV-изображение на видеовыходе нормальное, то проверьте, чтобы все компоненты видеолинка, включая DVR и саму RunCam Split, были установлены в один и тот же формат видео: PAL или NTSC.
Можно ли питать RunCam Split от видеопередатчика[править]
Можно, только осторожно. Предварительно нужно убедиться, что передатчик выдаёт на камеру ровно 5В, и что он способен отдавать ток не менее 650мА. Обычные курсовые FPV-камеры без видеозаписи потребляют 150..200мА, и если на это рассчитан встроенный стабилизатор видеопередатчика, то этого будет недостаточно и он может выйти из строя.
Что будет, если во время записи пропадёт питание[править]
Должна сработать защита от пропадания питания: записываемый файл в любом случае будет сохранён. Потеряется лишь около 1.5 секунд видео до пропадания питания.
Как подсоединять кабель к камере и к основной плате[править]
Я хотел заменить кабель на более длинный, и не запомнил какой стороной нужно вставлять концы шлейфа в разъёмы...
Шлейф нужно вставлять в разъёмы:
- к камере - чёрной стороной вверх, контактами вниз;
- к плате - контактами вверх, чёрной стороной вниз.
Обзоры[править]
- Видео-обзор от Albert Kim: 1-я 2-я части.
- Видео-обзор от RCSchim
Где купить RunCam Split[править]
Впервые камера появилась в предзаказе по цене $70 в магазине Banggood 9 июня 2017 года, а на официальном сайте - 10 июня 2017 года.
Найти все предложения по RunCam Split от магазинов на RCSearch.
- Продавцы
- Россия: MobiusCam.ru
- RunCam Split2 With WiFi 4510руб.
- Пересылка по России 150 руб, срок 5-8 дней. Владелец
Ссылки[править]
- Сайт производителя
- Инструкция: RunCam-Split-EN.pdf (англ.). Старая версия: RunCam-Split-EN_old.pdf
- APK-файл RunCam_v1.9.3.apk для установки мобильного приложения RunCam App v1.9.3 на Android.
См. также[править]
- RunCam 3
- RunCam 2
- RunCam HD
- Другие экшн-камеры.
